•  
    작성일 : 14-03-15 01:33
    DHC-HC Series
     글쓴이 : 최고관리자
    조회 : 3,579  
    제품 사진

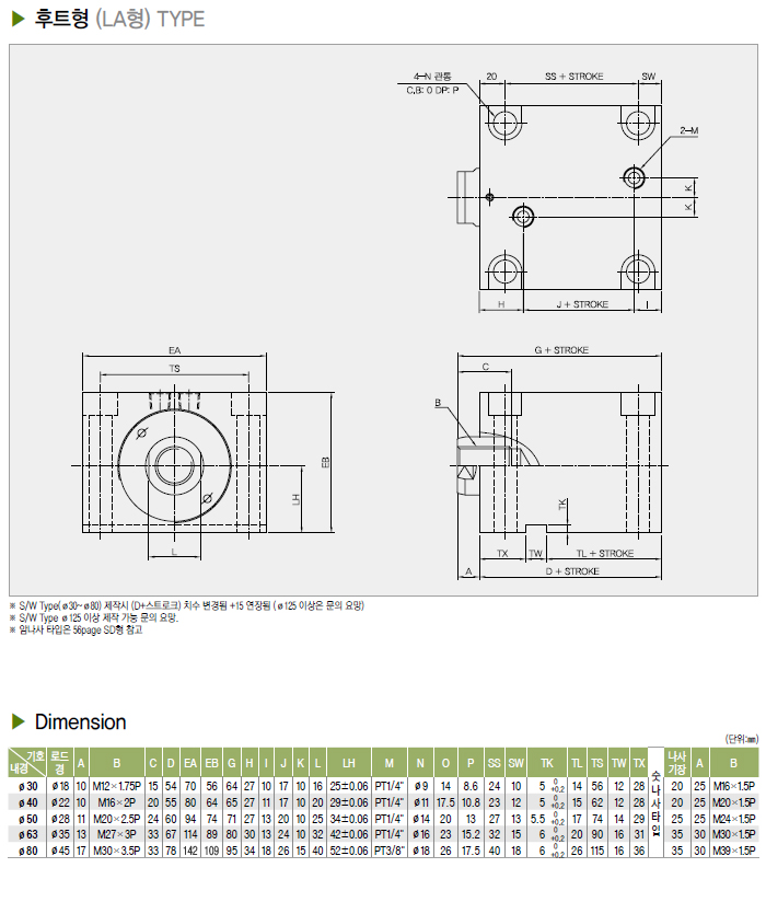
    후트형(LA형) TYPE