•  
    작성일 : 14-03-15 01:38
    DHC-HCO Serie
     글쓴이 : 최고관리자
    조회 : 4,607  
    제품 사진

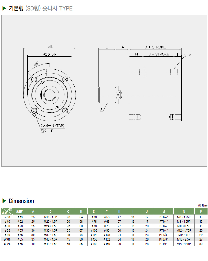
    기본형(SD형) 숫나사 TYPE