•  
    작성일 : 14-03-15 01:43
    DHC-HCO Series
     글쓴이 : 최고관리자
    조회 : 6,171  
    제품 사진

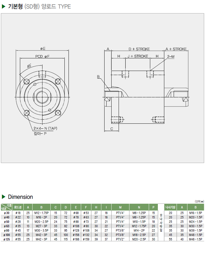
    기본형(SD형) 양로드 TYPE