•  
    작성일 : 14-03-15 01:47
    DHC-HCO Series
     글쓴이 : 최고관리자
    조회 : 6,180  
    제품 사진

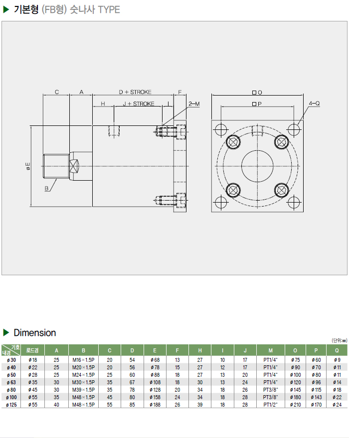
    기본형(FB형) 숫나사 TYPE