•  
    작성일 : 14-03-15 01:53
    DHC-HT Series
     글쓴이 : 최고관리자
    조회 : 6,193  
    제품 사진

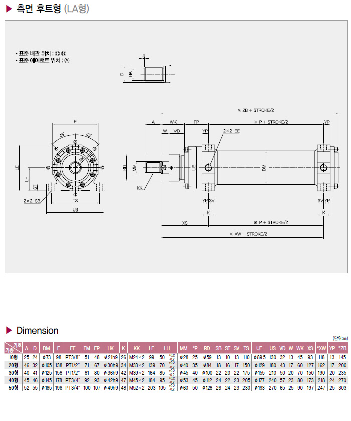
    측면 후트형(LA형)
    저면 후트형(LT형)